Elija su país o región.

Close
Iniciar sesión Regístrese Email:Info@Ocean-Components.com
0 Item(s)

MA4X19400L

PanasonicPanasonic
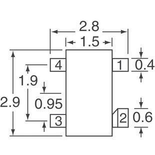
MA4X19400L Image
La imagen puede ser representación. Ver especificaciones para detalles del producto.

Descripción del producto

Número de pieza: MA4X19400L
Fabricante / Marca: Panasonic
Descripción del producto DIODE ARRAY SCHOTTKY 40V MINI4
Especificaciones: MA4X19400L.pdf
Estado RoHS Sin plomo / Cumple con RoHS
Condición de stock 162830 pcs stock
Nave de Hong Kong
Manera del envío DHL/Fedex/TNT/UPS/EMS
In Stock 162830 pcs
Precio de Referencia (En Dólares Estadounidenses)
1 pcs
$0.289
10 pcs
$0.252
100 pcs
$0.194
500 pcs
$0.144
1000 pcs
$0.115
Petición de oferta en línea
Complete todos los campos obligatorios con su información de contacto. Haga clic en " SUBMIT RFQ ". Nos pondremos en contacto con usted por correo electrónico. O envíenos un correo electrónico:Info@Ocean-Components.com
  • Precio objetivo:(USD)
  • Cantidad:
Total:$0.289

Indíquenos su precio objetivo si hay cantidades superiores a las que se muestran.

  • Número de pieza
  • Nombre de la empresa
  • Nombre de contacto
  • Email
  • Mensajes

Especificaciones de MA4X19400L

Número de pieza MA4X19400L Fabricante Panasonic
Descripción DIODE ARRAY SCHOTTKY 40V MINI4 Estado Libre de plomo / Estado RoHS Sin plomo / Cumple con RoHS
cantidad disponible 162830 pcs Ficha de datos MA4X19400L.pdf
Tensión - directo (Vf) (Max) Si @ 1.2V @ 100mA Voltaje - Inverso (Vr) (máx) 40V
Paquete del dispositivo Mini4-G1 Velocidad Small Signal =< 200mA (Io), Any Speed
Serie - Tiempo de recuperación inversa (trr) 100ns
embalaje Cut Tape (CT) Paquete / Cubierta TO-253-4, TO-253AA
Otros nombres MA4X19400LCT Temperatura de funcionamiento - Junction 150°C (Max)
Tipo de montaje Surface Mount Nivel de sensibilidad a la humedad (MSL) 1 (Unlimited)
Estado sin plomo / Estado RoHS Lead free / RoHS Compliant Tipo de diodo Schottky
configuración de diodo 2 Independent Descripción detallada Diode Array 2 Independent Schottky 40V 100mA Surface Mount TO-253-4, TO-253AA
Corriente - Fuga inversa a Vr 10nA @ 40V Corriente - rectificada media (Io) (por Diode) 100mA
Número de pieza base MA4X194

Modo de transporte

★ ENVÍO GRATUITO A TRAVÉS DE DHL / FEDEX / UPS SI ORDENA UNA CANTIDAD MÁS DE 1,000 USD.
(SOLO PARA Circuitos integrados, Protección de circuitos, RF / IF y RFID, Optoelectrónica, Sensores, Transductores, Transformadores, Aisladores, Interruptores, Relés)

FedEx www.FedEx.com Desde $ 35.00 la tarifa de envío básica depende de la zona y el país.
DHL www.DHL.com Desde $ 35.00 la tarifa de envío básica depende de la zona y el país.
UPS www.UPS.com Desde $ 35.00 la tarifa de envío básica depende de la zona y el país.
TNT www.TNT.com Desde $ 35.00 la tarifa de envío básica depende de la zona y el país.

★ El tiempo de entrega necesitará de 2 a 4 días para la mayoría del país en todo el mundo por DHL / UPS / FEDEX / TNT.

No dude en contactarnos si tiene alguna pregunta sobre el envío. Envíanos un correo electrónico info@Ocean-Components.com
FedexDHLUPSTNT

GARANTÍA POST-VENTA

  1. A cada producto de Ocean-Components.com se le ha otorgado un período de garantía de 1 AÑO. Durante este período, podríamos proporcionar mantenimiento técnico gratuito si hay algún problema con nuestros productos.
  2. Si encuentra problemas de calidad con nuestros productos después de recibirlos, puede probarlos y solicitar un reembolso incondicional si se puede probar.
  3. Si los productos son defectuosos o no funcionan, puede devolvernos dentro de 1 AÑO, todos los gastos de transporte y aduanas de los productos corren por nuestra cuenta.

Tags relacionados

Productos relacionados

MA4X159AGL
MA4X159AGL
Fabricantes: Panasonic
Descripción: DIODE ARRAY GP 80V 100MA MINI4
Existencias disponibles: 4135 pcs
Descargar: MA4X159AGL.pdf
RFQ
MA4X160A0L
MA4X160A0L
Fabricantes: Panasonic
Descripción: DIODE ARRAY GP 80V 100MA MINI4
Existencias disponibles: 4028 pcs
Descargar: MA4X160A0L.pdf
RFQ
MA4X17400L
MA4X17400L
Fabricantes: Panasonic
Descripción: DIODE ARRAY GP 200V 100MA MINI4
Existencias disponibles: 5030 pcs
Descargar: MA4X17400L.pdf
RFQ
MA4X71400L
MA4X71400L
Fabricantes: Panasonic
Descripción: DIODE ARRAY SCHOTTKY 30V MINI4
Existencias disponibles: 213885 pcs
Descargar: MA4X71400L.pdf
RFQ
MA4X71300L
MA4X71300L
Fabricantes: Panasonic
Descripción: DIODE ARRAY SCHOTTKY 30V MINI4
Existencias disponibles: 4938 pcs
Descargar: MA4X71300L.pdf
RFQ
MA4X74600L
MA4X74600L
Fabricantes: Panasonic
Descripción: DIODE ARRAY SCHOTTKY 50V MINI4
Existencias disponibles: 4640 pcs
Descargar: MA4X74600L.pdf
RFQ
MA4X72600L
MA4X72600L
Fabricantes: Panasonic
Descripción: DIODE ARRAY SCHOTTKY 30V MINI4
Existencias disponibles: 183478 pcs
Descargar: MA4X72600L.pdf
RFQ
MA4X16000L
MA4X16000L
Fabricantes: Panasonic
Descripción: DIODE ARRAY GP 40V 100MA MINI4
Existencias disponibles: 188104 pcs
Descargar: MA4X16000L.pdf
RFQ
MA4X159A0L
MA4X159A0L
Fabricantes: Panasonic
Descripción: DIODE ARRAY GP 80V 100MA MINI4
Existencias disponibles: 4008 pcs
Descargar: MA4X159A0L.pdf
RFQ
MA4X19300L
MA4X19300L
Fabricantes: Panasonic
Descripción: DIODE ARRAY GP 80V 70MA MINI4
Existencias disponibles: 178619 pcs
Descargar: MA4X19300L.pdf
RFQ
MA4X72400L
MA4X72400L
Fabricantes: Panasonic
Descripción: DIODE ARRAY SCHOTTKY 30V MINI4
Existencias disponibles: 5003 pcs
Descargar: MA4X72400L.pdf
RFQ
MA4X79600L
MA4X79600L
Fabricantes: Panasonic
Descripción: DIODE ARRAY SCHOTTKY 50V MINI4
Existencias disponibles: 4429 pcs
Descargar: MA4X79600L.pdf
RFQ

Noticias de la Industria

Arduino será el anfitrión de la conferencia covid-19 mañana
Estará abierto a "cualquier persona que use actualmente dispositivos compatibles con Arduino dentro...
Raytheon gana el contrato OCX de Space Force para cambiar el kit de IBM para GPS III
Reemplazará las computadoras IBM que se usan actualmente para administrar la constelación GPS con ...
Fuente de alimentación de 500 W para cargas marinas
Alimentado por un suministro distribuido nominal de 24V (rango de 18 a 36V) ENMA500D24 / 2 × 27-CC ...
Melexis lanza el sensor de efecto Hall IC para la dirección asistida eléctrica
Con una temperatura de funcionamiento entre -40℃  y 160 ℃, la firma dice que el dispositivo combi...
La NASA adjudica un contrato de carga comercial para lunar Gateway to SpaceX
Los términos del contrato de Servicios de Logística de Gateway requerirán que SpaceX entregue car...
Máscara imprimible 3d Covid-19 aprobada - solo para impresoras MJF, archivos disponibles
Diseñada en la Universidad Técnica Checa de Praga, por su Instituto de Informática, Robótica y C...
Toshiba lanza dos mosfets de potencia de canal N de 80V
Se dice que los dispositivos son adecuados para aplicaciones de energía donde la operación de baja...
Quad NAS con tecnología Raspberry Pi y sombrero SATA Radxa
SOMBRERO SATA Dual / Quad Penta SATA HAT El SAT HAT Dual / Quad está diseñado para Raspberry Pi 4 ...
La Fuerza Espacial de EE. UU. Rastrea micro objetos con vigilancia de radar Space Fence
El sistema será el radar de búsqueda más sensible en la Red de Vigilancia Espacial de EE. UU. Y s...